全球能源转型加速,分布式光伏应用范围扩大,安装位置从屋顶拓展至阳台。阳台光伏因安装简便、成本低、回报快,成城市居民参与绿色能源转型的优选。
但阳台光伏“规模有限且分布零散",发电量超家庭用电负荷时,多余电量或反向流入电网,引发电压不稳、设备损坏、触发保护机制等问题。多国电力法规要求光伏系统具备防逆流功能,否则用户将面临罚款或系统被强制停用。
在此背景下,防逆流监控模块如“安全卫士",可实时监控电流方向,动态调整逆变器功率,确保电量家庭自用,既保障电网安全,又避免用户经济损失。

当阳台光伏系统的发电量超出家庭实际用电负载时,多余的电力存在逆流回电网的可能性,由此会引发一系列不良后果:
就电网安全层面而言,电力逆流可能会造成电网电压出现波动,对电网设备造成损坏,甚至触发电网的保护机制,影响电网的稳定运行。
在电费计量方面,传统的电表可能无法准确区分逆流电量,会将其误计为家庭用电量,进而导致电费计算出现异常,引发计量纠纷。
从合规角度来讲,世界上众多国家的电力法规都明确规定,光伏系统必须具备防止电力逆流的功能。若不满足这一要求,用户将会面临罚款处罚,情节严重的,光伏系统还可能被强制停止运行。
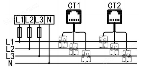
而防逆流监控模块发挥着至关重要的作用:
它能够实时对电流的方向进行监测,并根据监测结果动态调整逆变器的输出功率,从而保证所产生的电力仅供给家庭负载使用,避免多余电量流入电网。








户储光伏防逆流控制器
户储光伏防逆流控制器